- Material: Tungsten carbide
- Processing: Roughing grinding /Semi Finishing
- Appllication: Steel Processing
- Coated : PVD/CVD
DESCRIPTION

Manufacturer Cemented Carbide Turning Inserts SNMG 120408 12 cutting tools for cnc steel
| Model | SNMG120404/08/12 | SNMG150608/12/16 | SNMG190612/16 |
| Grade | CD8025/CD8125/CD8020/CD8010 | ||
| Workpiece | steel/hardened steel/ stainless steel/cast iron | ||
| Coating | CVD/PVD coating | ||
| MOQ Quantity | 10pcs | ||
| Package | 10pcs in one box | ||
| Service | OEM/ODM | ||

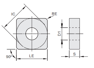
Small parts of our product's drawing
Insert Shape |
Type | Dimension | |||||
LE |
IC |
S |
D1 |
RE | |||
| Roughing | SNMG120408-OPR | 12.7 | 12.7 | 4.76 | 5.16 | 0.8 |
SNMG120412-OPR | 12.7 | 12.7 | 4.76 | 5.16 | 1.2 | ||
SNMG150608-OPR | 15.875 | 15.875 | 6.35 | 6.35 | 0.8 | ||
SNMG150612-OPR | 15.875 | 15.875 | 6.35 | 6.35 | 1.2 | ||
SNMG190612-OPR | 19.05 | 19.05 | 6.35 | 7.94 | 1.2 | ||
SNMG190616-OPR | 19.05 | 19.05 | 6.35 | 7.94 | 1.6 | ||
| SNMM190624-PR | 19.05 | 19.05 | 6.35 | 7.94 | 2.4 | |
SNMM250924-PR | 25.4 | 25.4 | 9.525 | 9.12 | 2.4 | ||
| Grade for Turning Inserts | ||||
| GRADE | COATING | COLOR | WORKING MATERIAL | APPLICATION |
| CD8025 | CVD | golden yellow | P10-P30 | The carbide substrate have good anti-deformation resistance and toughness. MT-TiCN+Al2O3+TiN coating has very good surface quality and help to recognize wear easily. It is suitable for semi-finishing and finishing steel machining. |
| (MT-TiCN+Al2O3+TiN) | ||||
| CD8125 | CVD | black | P10-P40 | The carbide substrate have mild cobalt content and high cubic content, combining with thick TiCN and Al2O3, treated by sepcial technology after coating treatment, which gives inserts strong wearing resistance. It is prority for semi-finishing to finishing steel machining. |
| (Multi-TiCN+Al2O3) | ||||
| CD8020 | PVD (Silicon+TiAlN) | purple | M10-M30 | Micro WC grain substrate with high Co maintain cutting edge strength and it has smallest coefficient of friction and good nano hardness with good thermal stability silicon coating. The grade is very good for interrupt turning and milling for stainless steel. |
| CD8010 | CVD | black | K10-K30 | The medium-coarse substrate combine with thick TiCN and textured Al2O3, after special coating treatment, it has strong |
| (thick TiCN+ textured Al2O3) | wear-resistance. The grade is suitable for high-speed semi-finishing cast iron turning under stable working condition. | |||



FAQ
1) When can I get the price?
We usually quote within 24 hours after we get your inquiry.If you are very urgent to get the price, please call us or tell us in your email so that we will regard your inquiry priority.
2) How can I get a sample to check your quality?
After price confirmation, you can require for samples to check our quality. If you just need a blank sample to check the design and paper quality, we will provide you sample for free, as long as you afford the express freight.
3) How long can I expect to get the sample?
After you pay the sample charge and send us confirmed files, the samples will be ready for delivery in 3-7 days. The samples will be sent to you via express and arrive in 3-7 workdays. You can use your own express account or prepay us if you do not have an account.
4) How long does the whole procedure being worked out?
After you place a order,the production handling time is about 20-25 days. We need 7 days to prepare all the stuff then 15 days for manufacturing.
5) What about the transportation and delivery date?
Normally we use shipment to transprot the goods.It is about 7-25 days.It also denpends on which coutry and port you are.It could be shorter if you need to send the goods like Asian. If there are some emergencies we can send the goods via air express, as long as you afford the traffic expense.
6) Are you trading company or manufaturer?
We are professional manufacturer. We not only owns our tools factory, but also have cemented carbide factory.
7) Where is your factory located?
We are located in Zhuzhou city , Hunan Province .,tungsten carbide base town of China
8) How long can I expect to get the sample?
After you pay the sample charge and send us confirmed files, the samples will be ready for delivery in 3-7 days. The samples will be sent to you via express and arrive in 3-5 workdays. You can use your own express account or prepay us if you do not have an account.
9) How about your stock?
We have large quantity products in stock, regular types and sizes are all in stock.
10) Is free shipping possible?
We don't offer free shipping service. We can have a discount if you buy a large quantity products



















